028-60192238
18382261921
首页
taptap下载ipad版
新闻动态
了解保能
taptap安装包百度
taptap安装包入口
taptap安装包地址
资料下载
联系我们
taptap下载ipad版
PRODUCT SHOW
taptap安装app
TapTapweb端
taptapapp下载
taptapt下载
taptapbeta下载
防爆风机
taptapp国际版
taptapbeta官网
高温风机
taptapbeta
厨房专业风机
屋顶风机
射流风机/隧道风机
除尘风机
斜流风机
taptapapp官网下载
生产现场
工程机械配套风机
风机维修
首页
>
taptap下载ipad版
>
斜流风机
斜流式通风机
028-60192238
18382261921
技术参数
使用手册
产品概述、特点
维护保养
产品的性能选择和型号说明
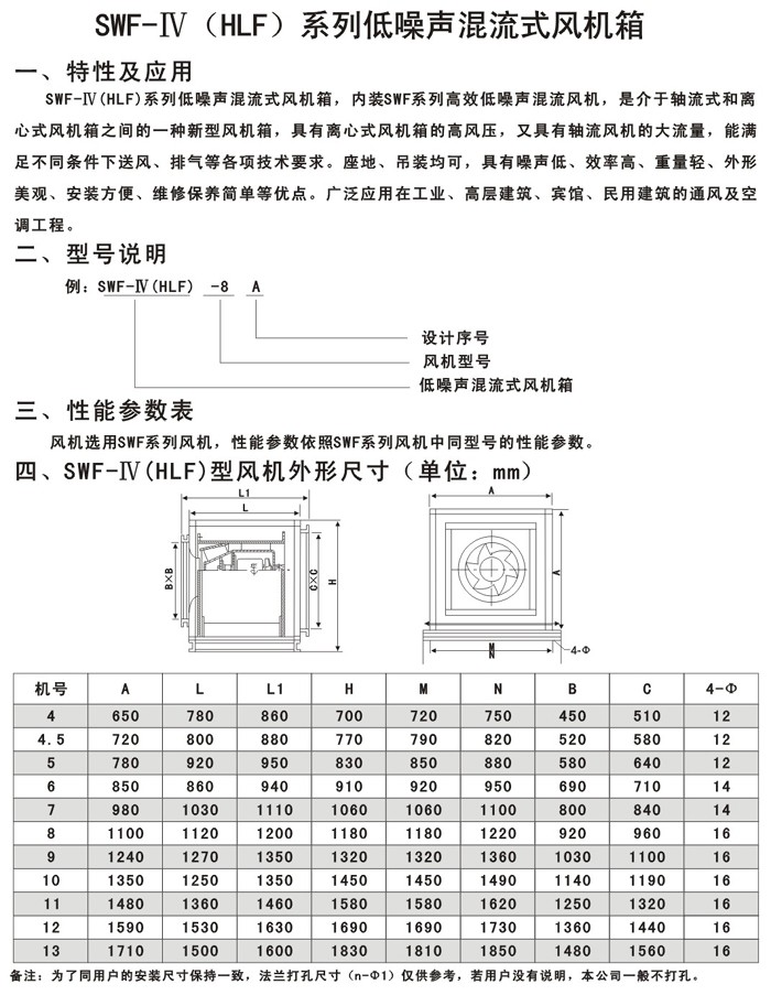
一、 GXF斜流风机,SJG斜流式通风机概述
GXF斜流式通风机是一种新型低噪高效节能型斜流式通风机,斜流式通风机流量大于离心式风机,全压高于轴流式风机,体积小于离心式风机。该风机通过了模拟机的实验研究,采用新的叶型及叶片得到了更大的流量和压力,提高了风机的效率。SJG系列斜流式通风机是SWF系列风机的派生型产品,采用鼓型风筒,从而改变气流方向达到斜流,兼有离心式风机压力系统较高和轴流风机流量系统较高的特点,具有噪声低、耗电省、结构紧凑等优点。广泛应用于工矿企业、宾馆、饭店、博物馆等的送排风系统。
GXF系列斜流通风机按叶轮直径分为400-1400mm十四规格,按类型分为A、B、C、D、S五种类型,共五十八个机号。风量由3000-90000m3/h,全压由185-2500Pa;这样就给设计部门和用户单位提供了充分的选择条件,具体数据请查风机性能参数表。
SJG系列斜流式通风机按叶轮直径分为200-800mm十几种规格、十几个机号,风量由200-2500m3/h,全压由50-1200Pa;具体数据请查风机性能参数表。
GXF系列斜流通风机按叶轮直径分为400-1400mm十四规格,按类型分为A、B、C、D、S五种类型,共五十八个机号。风量由3000-90000m3/h,全压由185-2500Pa;这样就给设计部门和用户单位提供了充分的选择条件,具体数据请查风机性能参数表。
SJG系列斜流式通风机按叶轮直径分为200-800mm十几种规格、十几个机号,风量由200-2500m3/h,全压由50-1200Pa;具体数据请查风机性能参数表。
GXF斜流式通风机是一种新型低噪高效节能型斜流式通风机,斜流式通风机流量大于离心式风机,全压高于轴流式风机,体积小于离心式风机。该风机通过了模拟机的实验研究,采用新的叶型及叶片得到了更大的流量和压力,提高了风机的效率。SJG系列斜流式通风机是SWF系列风机的派生型产品,采用鼓型风筒,从而改变气流方向达到斜流,兼有离心式风机压力系统较高和轴流风机流量系统较高的特点,具有噪声低、耗电省、结构紧凑等优点。广泛应用于工矿企业、宾馆、饭店、博物馆等的送排风系统。
查看详情
map